您的位置:首页 >产品中心 >FPC,FFC连接器 >0.3间距
![]() |

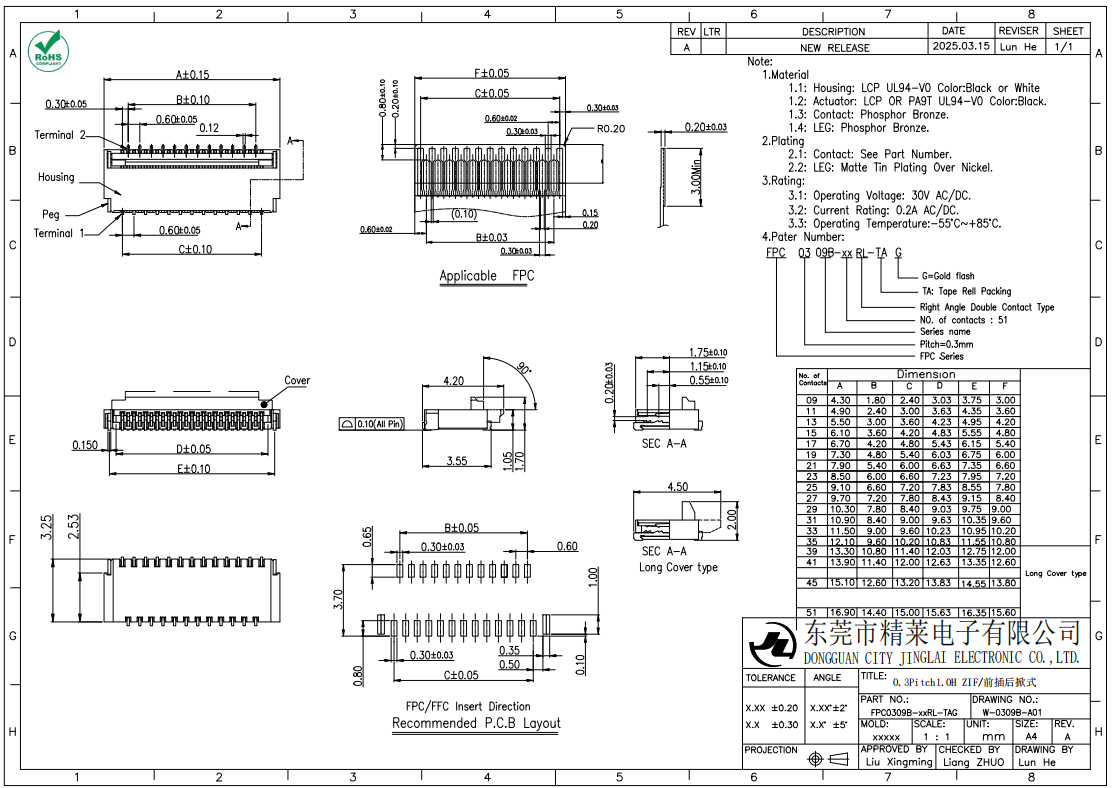
1 .Material
1.1:Housing: LCP UL94-y0 Color:Black or White
1.2:Actuator:LCP OR PA9T UL94-V0 Color:Black.
1.3:Contact: Phosphor Bronze.
1.4:LEG: Phosphor Bronze.
2.Plating
2.1:Contact: See Part Number.
2.2::LEG: Matte Tin Plating Over Nickel.
3.Rating:
3.1: 0perating Voltage: 30V AC/DC.
3.2:Current Rating:0.2A AC/DC.
3.3:0perating Temperature:-55'C~+85'C
0769-89075626 (国内线)
0769-89075628 (国际线)

0769-89075626(国内线)
0769-89075628(国际线)
188-1972-1619(国内线)
138-2652-1112(国际线)
sales01@JL-ELE.com(国内)
msw@JL-ELE.com(国际)

关注我们
Copyright © 东莞市精莱电子有限公司.